ピックアップ商品
既存の設備を置き換えることなく簡単・安全・低価格な方法で増圧を行えます。
スキャンウィル油圧ブースターはピストンの脈動により、増圧された流体を供給します。
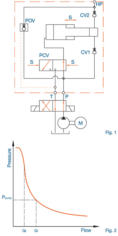
右の図はブースターの基本的な回路を示しています。
ブースターが持つ油圧回路の働きにより、ブースター内のピストンが振動し、面積比に応じた増圧を行います。
規定圧力まで増圧されるとピストンが停止し、増圧を完了します。
増圧以後、回路内の圧力が徐々に下がると再び作動を開始し、規定圧力を維持します。
流体はPポートより供給され、Tポートはタンクに接続されています。
ポンプから共有されたオイルはCV1, 2及びPOVを通過し、HPから排出されます。POVが内蔵されていない場合、オイルは直接HPポートに向かいます。
ポンプ圧まで達すると、ブースター内のピストンが作動し、規定圧力まで増圧します。到達後にピストンは停止し、圧力消費や漏れ等などによる減圧の補償でのみ作動します。
ブースターの一般的な流量 – 圧力曲線は右図になります。
減圧には内蔵型のPOVバルブが使用されます。これは、Tポートからの圧力によって作動し、Pポートをタンクに接続します。

